Dengeli


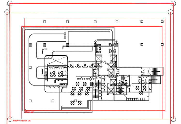
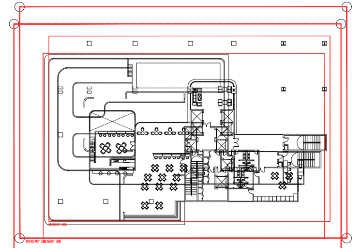
The photo captures an architectural floor plan of a mid-rise condominium situated in a historic town square characterized by antique lampposts and a charming cityscape landscape. It is an eco-friendly, sustainable building constructed using gypsum, designed to harmonize with its surroundings. The midday summer light filters through the partly cloudy sky, casting soft shadows across the detailed layout. Communal spaces and individual units are strategically placed within the building, showcasing a thoughtful design that maximizes both functionality and sustainability. The floor plan is framed by boundary and setback lines, indicating the intended footprint of the condominium within the urban environment.